Pour comprendre pleinement un schéma branchement digicode portail, il faut aller au-delà du simple repérage des fils. Chaque connexion répond à une logique électrique précise, conçue pour sécuriser la transmission de l’ordre d’ouverture. Le digicode ne « commande » pas directement le moteur : il agit comme un déclencheur qui autorise temporairement la motorisation à lancer son cycle.
Cette distinction est essentielle, car elle explique pourquoi un mauvais branchement peut donner l’illusion que le digicode fonctionne un clavier allumé, bip sonore, validation du code alors que le portail reste totalement immobile. Le problème ne vient pas du digicode lui-même, mais de la rupture de la chaîne logique définie dans le schéma branchement digicode portail.

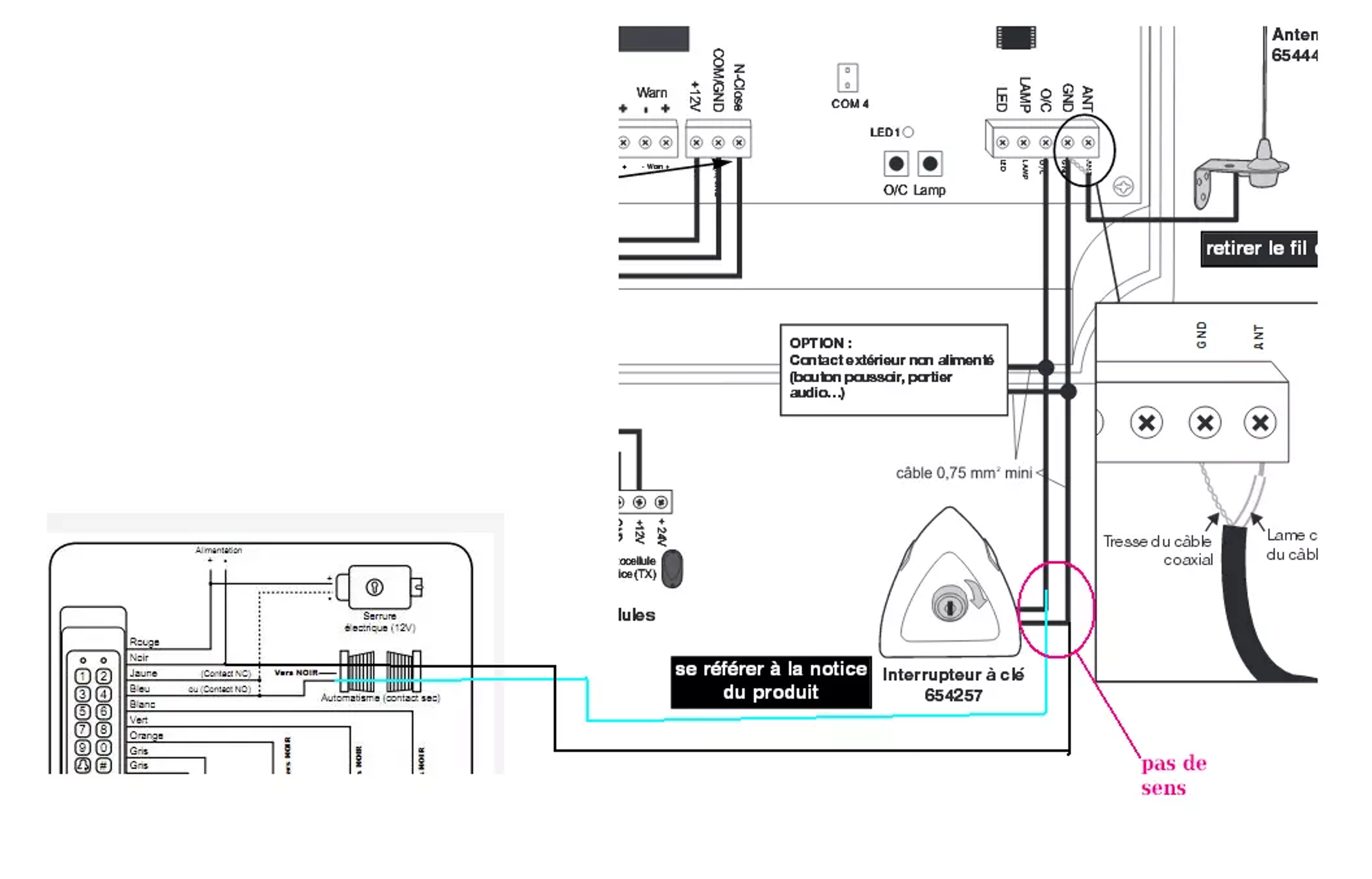
Différence entre contact sec et contact alimenté dans un schéma branchement digicode portail
L’un des points les plus techniques, mais aussi les plus critiques, concerne le type de contact utilisé.
Contact sec : le standard le plus répandu
Dans la majorité des installations, le digicode fournit un contact sec. Cela signifie qu’il ne transmet aucune tension, mais se contente de fermer ou d’ouvrir un circuit existant sur la carte électronique du portail. Ce type de contact est particulièrement sûr et compatible avec la plupart des motorisations.
Le schéma branchement digicode portail précise alors clairement les bornes COM et NO (ou NC) à utiliser. Une erreur à ce niveau empêche toute réaction du portail, même si le reste du câblage est correct.
Contact alimenté : un cas spécifique
Certains digicodes délivrent une tension en sortie. Ce fonctionnement impose une compatibilité stricte avec la motorisation. Si la carte du portail n’est pas conçue pour recevoir une tension externe, le branchement peut provoquer des dégâts irréversibles. D’où l’importance de toujours vérifier ce point sur le schéma branchement digicode portail avant toute connexion.
Interaction entre portail digicode et automatismes de sécurité
Un portail moderne intègre plusieurs dispositifs de sécurité : cellules photoélectriques, feu clignotant, arrêt d’urgence, parfois même capteurs d’obstacles. Le digicode doit s’insérer harmonieusement dans cet ensemble.
Lorsque le portail digicode reçoit une commande valide, la carte électronique vérifie d’abord l’état des sécurités avant d’autoriser le mouvement. Un schéma mal interprété peut contourner ou perturber cette logique, entraînant des refus d’ouverture aléatoires. Le schéma branchement digicode portail garantit que le digicode respecte la hiérarchie des priorités du système.

Cas des installations combinées : interphone + digicode
Dans de nombreuses configurations, le digicode n’est pas seul. Il fonctionne en parallèle avec un interphone, une platine vidéo ou une commande à distance. Cette combinaison augmente considérablement la complexité du câblage.
Le schéma branchement digicode portail doit alors prendre en compte plusieurs sources de commande, toutes raccordées à la même entrée ou à des entrées distinctes de la motorisation. Une mauvaise gestion de ces signaux peut provoquer des conflits, comme des ouvertures intempestives ou des blocages après activation simultanée.

Spécificités du digicode sans fil pour portail en environnement réel
Sur le terrain, le digicode sans fil pour portail est soumis à des contraintes souvent sous-estimées. Les murs épais, les piliers métalliques, les portails en acier ou les installations électriques proches peuvent perturber la transmission radio.
Dans ce contexte, le schema branchement digicode portail doit être complété par une réflexion sur l’implantation du récepteur. Celui-ci doit être positionné de manière à limiter les pertes de signal, tout en restant accessible pour la maintenance. Une installation trop éloignée ou mal orientée peut réduire drastiquement la fiabilité du système.
Influence des conditions climatiques sur le schéma de branchement
Température, humidité, gel et exposition solaire ont un impact direct sur les composants électroniques. Un portail digicode installé en extérieur doit être protégé contre les infiltrations d’eau et les variations thermiques.
Le schéma branchement digicode portail prévoit souvent des recommandations concernant les gaines, les boîtiers étanches et les mises à la terre. Négliger ces aspects peut provoquer des pannes saisonnières difficiles à diagnostiquer, alors que le problème est purement environnemental.

Paramétrage après branchement : une étape indissociable du schéma
Un branchement conforme ne suffit pas toujours. Les cartes électroniques modernes nécessitent des réglages précis pour interpréter correctement le signal du digicode.
Durée de l’impulsion, type de commande, autorisation d’ouverture partielle ou totale : ces paramètres sont indissociables du schema branchement digicode portail. Sans ce paramétrage, le portail peut réagir de manière imprévisible, même avec un câblage parfait.
Évolution des portails digicode et impact sur les schémas
Les digicodes modernes intègrent désormais des fonctionnalités avancées : claviers rétroéclairés, codes temporaires, mémoire étendue, compatibilité domotique et intégration domotique. Ces évolutions technologiques ont un impact direct sur le schéma branchement digicode portail, qui devient plus complexe et plus précis.
Certaines installations nécessitent désormais des entrées supplémentaires, des modules relais additionnels ou des interfaces spécifiques. Un schéma ancien n’est donc pas toujours compatible avec un digicode nouvelle génération, même si le portail semble identique sur le plan mécanique.
Lecture méthodique d’un schema branchement digicode portail
Lire un schéma ne consiste jamais à suivre des fils au hasard. Il s’agit d’une démarche structurée qui repose sur l’analyse logique de l’ensemble du système.
Identifier l’alimentation, repérer le relais, comprendre le sens du signal, vérifier les masses communes et les entrées de commande : chaque étape permet de sécuriser l’installation. Cette approche méthodique réduit considérablement les risques d’erreur et garantit un fonctionnement stable et cohérent du portail digicode.

Les différents types de portails et leur influence sur le schéma de branchement
Tous les portails ne répondent pas aux mêmes contraintes techniques.
Le choix du portail influence directement la manière dont le digicode doit être raccordé et interprété par la motorisation.
Un portail battant impose une gestion précise des deux vantaux et des fins de course, tandis qu’un portail coulissant nécessite une impulsion parfaitement calibrée pour éviter les arrêts intempestifs. Les portails autoportants ou enterrés ajoutent des contraintes spécifiques liées à leur motorisation. Adapter le schéma branchement digicode portail au type de portail est donc indispensable pour garantir fiabilité, sécurité et longévité du système.
Quand le schéma ne suffit plus
Certaines situations dépassent le cadre d’un simple schéma théorique : portails très anciens, motorisations obsolètes, installations modifiées au fil des années ou ajouts successifs de dispositifs de commande.
Dans ces cas, le schéma branchement digicode portail sert de base de compréhension, mais l’analyse sur site devient incontournable. C’est souvent à ce stade que les limites du branchement amateur apparaissent. Une mauvaise décision peut alors entraîner des dysfonctionnements majeurs, voire le remplacement complet de la carte électronique.
Installation et dépannage de digicode de portail avec Store 2000
Store 2000 accompagne les particuliers et les professionnels dans l’installation, l’optimisation et le dépannage de portail digicode. Grâce à une parfaite maîtrise des schémas branchement digicode portail, leurs équipes interviennent sur tous types de portails, qu’ils soient récents ou anciens, filaires ou équipés de digicode sans fil pour portail, avec une approche technique rigoureuse et durable.
Rendez-vous